chimney down draft

  • Active since 1995, Hearth.com is THE place on the internet for free information and advice about wood stoves, pellet stoves and other energy saving equipment.

    We strive to provide opinions, articles, discussions and history related to Hearth Products and in a more general sense, energy issues.

    We promote the EFFICIENT, RESPONSIBLE, CLEAN and SAFE use of all fuels, whether renewable or fossil.
Like I said before the chimney is clean so It is not coming from that.

I can not use a damper in the pipe according to US Stove co. They told me to put in a barometric damper.

Any other suggestions?

Ignore what us stove told you, most stove manufacturers will tell you not to put in a key damper but in the real world they are necessary in installations with chimneys taller than 20ft. A barometric damper is not what you need.
 
I don't even see a barometric damper helping here. If your room is lower pressure than your flue (and hence stink flows in your room), a barometric damper won't be able to reverse that.

What it will do is cool your gases when you are burning, resulting in a flue that is no longer clean...
 
I don't think a key damper will help either.
1. They don't solve the pressure difference, and
2. They are not closing the flue. There's always a path for exhaust to go up when it's "fully closed", and so there is a path for smells to sink down into the stove.

I think the only way to mostly mitigate this is by closing all air inlets on the stove, hermetically. And that includes any unregulated air inlets.
 
Agreed, neither a key damper or barometric damper is going to reduce draft. That is not what is needed here, quite the opposite. A draft increase or boost is desired.

To improve draft, start by eliminating the interior 90º turn and the 27" horizontal section by using a 45º offset.

[Hearth.com] chimney down draft
 
Last edited:
The 1269e has a damper built into the flue collar. Is this open when trying to start the fire?

This is a single-burn rate stove. Be careful running it and be sure the clearances are met or exceeded.
 
I already put 2 45s in the pipe line to the thimble. It does not have any damper in the flue collar.
there is no way to close the air inlets on the stove. If I would have know this before I purchased it I would never have bought it.

Any other suggestions?
 
Did the stove get put together right? It definitely needs the dampered flue collar. Can you post a picture of the installation?

[Hearth.com] chimney down draft
[Hearth.com] chimney down draft

If I would have know this before I purchased it I would never have bought it.
Sorry, I've never recommended this stove for mulitple reasons.
 
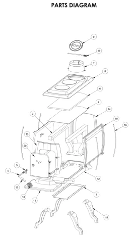
I know you never recommended it. and the diagram shown is not my stove. the collar is on but there is no damper in mine, nor any place for one.
 
The parts diagram is for the US Stove 1269e. Maybe this is a different model? The one they are selling currently is the 12161e. That has no damper in the flue collar.

Can you post a picture of the stove and stove pipe?
 
Here is a link to the manual for my stove and it does not have a damper. They must have changed it for mine.
https://www.usstove.com/wp-content/uploads/2020/01/853614-US1269E-EN_FR.pdf

I guess my only solution is to get rid of the piece of junk and put something else in. That is like throwing away several hundred dollars.

I sure would like to find another solution.
May be I could put a hole in my basement wall to bring in some fresh air to balance the pressure if that is what is causing it?
 
Thanks, it looks like they removed the damper so that they could put it back on the market and sell it for residential use. Typical move by USSC. Sell it for $250.

We need to know and see the set up to know what a good solution is. In the short term you could try opening a nearby window or door 1/2" to see if that improved draft.

Is the chimney a 6" metal chimney or a masonry chimney? If masonry, what is the size of the clay liner or does it have a 6" liner in it?
 
I come off of the stove with a 45 then up about 40 inches to another 45 into the chimney thimble.

The chimney is masonry and is about 6" by 12 " liner I believe. It is double what a normal one is. The stove is the only thing in it.
The chimney is about 21 ft. high and is about 30 inches above the peek of the roof.
I figured out how to light it ok by cracking a window but now I need to know how to keep it from smelling when not in use.

Thanks