Elbow to adapter? Trying to get closer to wall

  • Active since 1995, Hearth.com is THE place on the internet for free information and advice about wood stoves, pellet stoves and other energy saving equipment.

    We strive to provide opinions, articles, discussions and history related to Hearth Products and in a more general sense, energy issues.

    We promote the EFFICIENT, RESPONSIBLE, CLEAN and SAFE use of all fuels, whether renewable or fossil.

dfchampaign

New Member
Nov 25, 2024
1
Champaign, IL
Hey there,

I have a new Englander Blue Ridge 100 I'm installing and I am not sure the best way to connect to the stove to chimney adapter? In the middle picture, I have the stovepipe adapter on the left, then this other adapter that I'm not sure I need and then the elbow which goes down to the stove. All double walled. This connects to the insulated chimney that pokes about 3 or 4 inches out of the thimble.

My question is do I need that middle piece? Can I just go right from elbow to the chimney/stove pipe adapter and skip the middle piece? It also has some larger holes on it that you can see if you look closely. What are those for? Normal stovepipe screws are too small.

Thanks,
Dave

[Hearth.com] Elbow to adapter?  Trying to get closer to wall
[Hearth.com] Elbow to adapter?  Trying to get closer to wall
[Hearth.com] Elbow to adapter?  Trying to get closer to wall
 
Last edited:
The stove's clearance requirement is what will determine whether the addtional piece is needed. If the rear clearance is met, then it could be ok as long as the stove pipe clearance of 6" is also satisfied.
 
I believe that stove needs 6” back clearance with double wall. The shorter piece is the adapter, the end with holes goes on the class a adapter then you secure with screws through the holes.
 
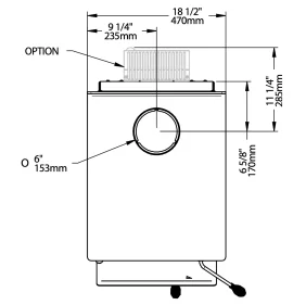
It's going to be close. The flue outlet is about 3" in from the back of the stove. If so, the 3" offset + 6" rear clearance means the stovepipe will be at about 9" from the wall and it may need the 6" piece between the elbow and the class A thimble adapter. Attach the class A adapter to the thimble and ssemble the elbow to it. Measure the elbow edge to the wall to verify. If it is 9" or more then the 6" piece is not needed. If it is less than 9" then it will need to be added.

Edit: With Heat Shield AC02762, the clearances are reduced to the point where the double-wall stove pipe's clearance of 6" becomes the determining factor without the blower on the stove.
 
Last edited:
  • Like
Reactions: ManitobaSky
Also, if the blower is on the stove or if it may be added later, then the 6" piece should be added. The blower option bumps out the back so that the flue collar edge is 8 1/4" from the back of the blower.

[Hearth.com] Elbow to adapter?  Trying to get closer to wall