New York State Code - Green Mountain 60 floor installation

  • Active since 1995, Hearth.com is THE place on the internet for free information and advice about wood stoves, pellet stoves and other energy saving equipment.

    We strive to provide opinions, articles, discussions and history related to Hearth Products and in a more general sense, energy issues.

    We promote the EFFICIENT, RESPONSIBLE, CLEAN and SAFE use of all fuels, whether renewable or fossil.

HearthNoob

Member
Oct 25, 2020
3
NY
Hi,

We are having our Green Mountain 60 installed professionally.

However, I am doing to demo of an existing freestanding fireplace from the 1980's and want to prep the location for the stove install.

The GM 60 will be in same spot as the old fireplace which had a massive concrete and stone surround, which is in the middle of an open plan living room/dining room. While the hearth was all flat stone, there is no concrete underlayment, etc.

I am having trouble finding the right code. I have searched here with a bunch of different search strings without any luck. I have Googled and read several versions of NY State code, but it seems customized for different towns. My town says they follow NYS code.

My dream plan was .5" Duroc underlayment with 1.5 Blue stone as the stove will be in the center of our space and I want it to look good. The offsets would be 18" from the front door and 12" or more on all sides (or whatever code requires).

My local inspector told me to look at the stove installation instructions, then send a diagram of what I was going to build for the permit. Small town life.

Can someone point me in the right direction?

Thanks in advance!
 
  • Like
Reactions: Burnin Since 1991
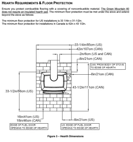
The GM60 only needs an ember protection hearth. The proposed bluestone hearth easily exceeds that requirement as long as it meets or exceeds the minimum dimensions listed in the manual. Will the stove be freestanding out in the room or will it have a wall or walls near it? if so, those clearances also need to be taken into account. Pictures of the install space with dimensions are welcome.

[Hearth.com] New York State Code - Green Mountain 60 floor installation
 
  • Like
Reactions: Burnin Since 1991
The GM60 only needs an ember protection hearth. The proposed bluestone hearth easily exceeds that requirement as long as it meets or exceeds the minimum dimensions listed in the manual. Will the stove be freestanding out in the room or will it have a wall or walls near it? if so, those clearances also need to be taken into account. Pictures of the install space with dimensions are welcome.

View attachment 340788

Hello and thanks for the response.

It will be freestanding between the dining room and a sunken (80s style) sunken living room -- overall, an open floor plan. I created a trial account with NFPA and according to that, some form of insulation is required. Still very confusing. I reached out to code guy and he hasn't gotten back to me. That said, from what I can pull together I'm probably going to do overkill.

Depending on what is affordable/available with blue stone height:
  • Bluestone ~3/4"
  • Cement board 1" (2x.5")
  • 24 gauge metal sheet
And just submit the permit and see what comes back.
 
  • Like
Reactions: Burnin Since 1991
Depending on what is affordable/available with blue stone height:

I'm considering a new hearth for my woodstove and the bluestone is high on my list. Very interested in following along on your progress!

What's your floor made of? I'm on a concrete slab, so no real concerns here.
 
My local inspector told me to look at the stove installation instructions, then send a diagram of what I was going to build for the permit. Small town life.

Can someone point me in the right direction?

Thanks in advance!
I think your local inspector just did. With the stove mfg specs and instructions only requiring an ember protected hearth your hearth plan, to the right dimensions, should be good to submit.
 
  • Like
Reactions: Burnin Since 1991
The stove's manual is the determining document. These are its UL certified requirements. NFPA covers general conditions, primarily in this case for untested and uncertified stoves.
 
  • Like
Reactions: Burnin Since 1991